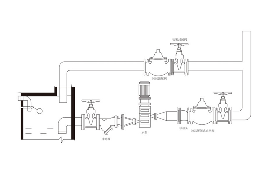
Injap pengurangan tekanan laras adalah jenis yang dikendalikan secara hidraulik di diafragma, dipasang dalam bekalan air dan sistem saliran, dan mengawal tekanan keluar injap utama ke nilai tetap. Tekanan masuk dapat dikurangkan kepada tekanan keluar yang diperlukan dengan menyesuaikan injap perintis dan tekanan keluar dapat disimpan dengan stabil dengan bergantung pada tenaga medium itu sendiri, iaitu, tekanan outlet tidak berubah disebabkan oleh perubahan tekanan masuk atau aliran keluar. Apabila tekanan di hadapan injap lebih rendah daripada tekanan set di belakang injap, injap utama akan secara automatik ditutup perlahan -lahan.
中文简体







